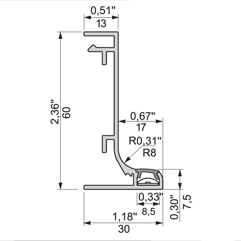
„L”- Profile LED
product unavailable
add to wish list
Description
nr 050 015 05 / nr 050 015 15 – C-30S
Covering profiles for ALU LED „C” and „L”:
Download