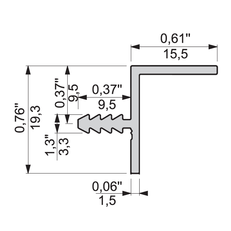
Profile for under cabinet mount
product unavailable
add to wish list
Description
nr 050 019 05
Download