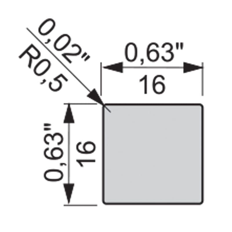
Square rod 16
product unavailable
add to wish list
Description
nr 040 010 05
Download