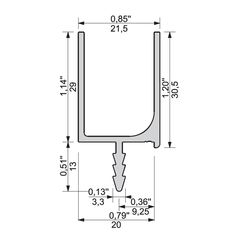
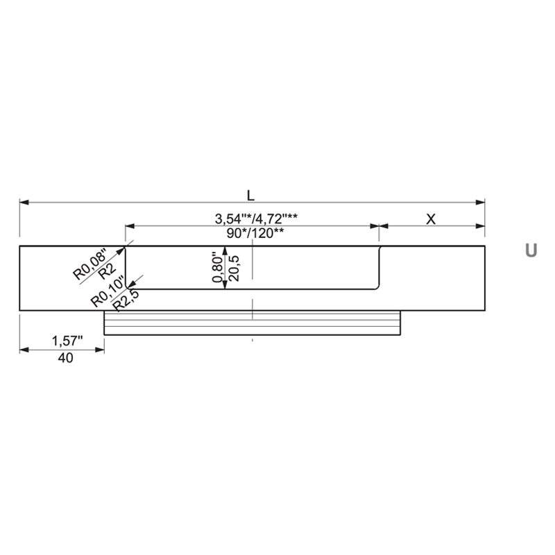
UKW-23 U
product unavailable
add to wish list
Description
Handle for drawer doors and sliding fronts
Made of a profile catalog number 029 023 05
Download